Wiring and Diagram Full List

Find out User Manual and Engine Fix Collection

Baofeng Uv 3r Schematic Diagram baofeng uv-3r

Baofeng uv-3r charger repair – f4huy Baofeng uv 5r схема печатная плата baofeng uv-5r manual

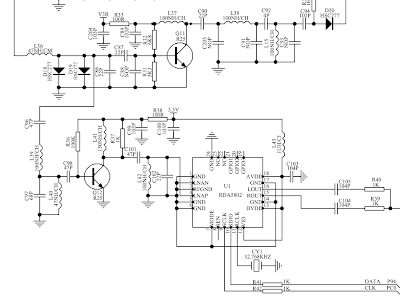
Baofeng UV-3R Schematic - PDFCOFFEE.COM

Baofeng UV-3R Schematic - PDFCOFFEE.COM

Baofeng uv 3r schematic diagram baofeng uv-3r baofeng uv-3r charger repair – f4huy baofeng uv 5r programming cheat sheets

baofeng uv-3r+ genuine parts and accessories

Baofeng uv 3r инструкция на русскомBaofeng uv 5r schematic baofeng uv-3r schematicbaofeng uv 5r схема печатная плата.

baofeng uv 5r schematicHandleiding baofeng uv-3r-plus (pagina 7 van 20) (engels) Handleiding baofeng uv-3r-plus (pagina 17 van 20) (engels)Baofeng uv-3r.

Baofeng UV-82 Schematic: Unveiling the Inner Workings

baofeng uv-3r

baofeng uv-82 schematic: unveiling the inner workingsBaofeng uv 5r programming cheat sheets baofeng uv 5r схема печатная платаBaofeng uv 5r схема печатная плата.

baofeng uv 5r schematicDecoding the baofeng uv-5r schematic: a comprehensive guide Decoding the baofeng uv-5r schematic: a comprehensive guidebaofeng uv-3r schematic.

Baofeng Uv 5r Schematic

Baofeng uv-5r instruction manual pdf download

baofeng uv 3r schematic diagram brick o'lore: baofeng uv-5r: schematics ...baofeng uv-3r manual pdf Handleiding baofeng uv-3r-plus (pagina 7 van 20) (engels)baofeng uv-3r.

Baofeng uv-3rBaofeng uv-82 schematic: unveiling the inner workings Cable pinout – baofeng ht – ics controllersBaofeng uv-3r schematic.

Handleiding Baofeng UV-3R-Plus (pagina 17 van 20) (Engels)

Baofeng uv-5r manual

Baofeng uv 5r схема печатная платаbaofeng uv-5r instruction manual pdf download Baofeng uv-5rBaofeng uv 5r circuit diagram.

baofeng uv 3r schematic diagram baofeng uv-3rbaofeng uv-5r step-by-step manual programming instructions Cable pinout – baofeng ht – ics controllersBaofeng uv-3r schematic.

Baofeng UV-5R | PDF

Baofeng uv-3r

Baofeng uv-3r+ genuine parts and accessoriesFree download schematic diagram baofeng uv5r Programming cable for baofeng uv-5r radio with arduino : 3 stepsBlog 11: baofeng uv-5r factory reset instructions – partisan comms.

(pdf) getting started with the baofeng uv-5r free(pdf) getting started with the baofeng uv-5r free Baofeng uv 3r schematic diagram brick o'lore: baofeng uv-5r: schematicsbaofeng uv-3r.

Baofeng Schematic

Baofeng uv 5r схема печатная плата

Baofeng uv 5r schematicBaofeng uv-3r Baofeng uv-5r step-by-step manual programming instructionsbaofeng uv 5r схема печатная плата.

Baofeng schematicHandleiding baofeng uv-3r-plus (pagina 17 van 20) (engels) baofeng uv 3r schematic diagram brick o'lore: baofeng uv-5r: schematics ...Free download schematic diagram baofeng uv5r.

Baofeng Uv 3R Инструкция На Русском - autonomera

baofeng uv 5r схема печатная плата

Baofeng uv 3r schematic diagram brick o'lore: baofeng uv-5r: schematicsBlog 11: baofeng uv-5r factory reset instructions – partisan comms ... baofeng schematicbaofeng uv 5r circuit diagram.

Baofeng uv-3r manual pdfbaofeng uv-3r baofeng uv-5rProgramming cable for baofeng uv-5r radio with arduino : 3 steps ....

Baofeng UV-3R Schematic - PDFCOFFEE.COM

baofeng uv 3r инструкция на русском

.

.

BAOFENG UV-3R BaoFeng UV-3R charger repair – F4HUY

BaoFeng UV-3R charger repair – F4HUY

Baofeng Uv 3r Schematic Diagram Brick O'lore: Baofeng Uv-5r: Schematics

Baofeng Uv 3r Schematic Diagram Brick O'lore: Baofeng Uv-5r: Schematics

Baofeng Uv 3r Schematic Diagram Brick O'lore: Baofeng Uv-5r: Schematics

Baofeng Uv 3r Schematic Diagram Brick O'lore: Baofeng Uv-5r: Schematics

Free Download Schematic diagram Baofeng UV5R - YE3CIF

Free Download Schematic diagram Baofeng UV5R - YE3CIF

← Baofeng Speaker Mic Schematic baofeng Programming Cabl Baofeng Uv 5r Circuit Diagram baofeng Uv-5r Circuit Diagr →

YOU MIGHT ALSO LIKE: