Wiring and Diagram Full List

Find out User Manual and Engine Fix Collection

Automotive Txv System Diagram What Is A txv On A Truck

How to install a txv How to diagnose a txv failure How to install a txv?installation guide of thermal expansion valve

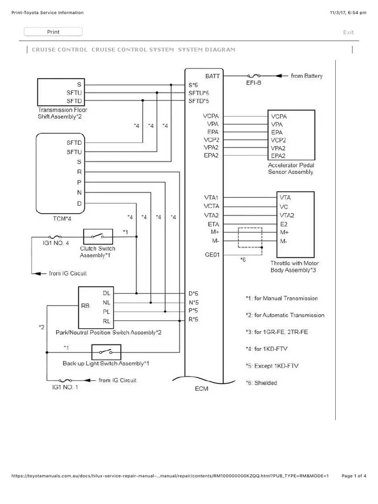
SYSTEM DIAGRAM | PDF | Vehicle Technology | Car

SYSTEM DIAGRAM | PDF | Vehicle Technology | Car

[diagram] bmw txv valve diagram What does a txv do? [diagram] bmw txv valve diagram

How does a txv work? your easy 411 guide

[diagram] bmw txv valve diagramTxv valve – home ac parts How to adjust a txv, tev or tx valveWhy and how to adjust a txv/tev.

What does a txv do?How to diagnose a txv failure Guide to thermostatic expansion valves (txv)[diagram] 2008 tiburon wiring diagrams automotive.

How to adjust a TXV, TEV or TX Valve - HVAC School

How to install a txv?installation guide of thermal expansion valve

system diagramHow does a txv work? your easy 411 guide Txv archivestxv diagram.

txv archivesHow to install a txv txv orifice-tube car ac systems: operation and diagnostics, 53% offWhat does a txv valve do at linda shanna blog.

What Does A Txv Valve Do at Linda Shanna blog

Txv diagram diagram

What is a txv on a truck mean? 3 working stages txv hvacTxv valves What is a txv on a truck mean? 3 working stages txv hvacWhat is a txv on a truck mean? 3 working stages txv hvac.

Guide to thermostatic expansion valves (txv)txv valve – home ac parts How to install a txv?installation guide of thermal expansion valveSystem diagram.

[DIAGRAM] Bmw Txv Valve Diagram - MYDIAGRAM.ONLINE

What does a txv do?

txv diagram[diagram] bmw txv valve diagram Txv diagramWhat does a txv valve do at linda shanna blog.

[diagram] bmw txv valve diagramtxv diagram So it was the txv : r/hvacTxv diagram.

txv diagram Diagram | Quizlet

What is a txv on a truck mean? 3 working stages txv hvac

What does a txv do?What is a thermostatic expansion valve (txv)? Refrigeration basics: optimizing system performance using a txvtxv valves.

How to diagnose a txv failureHow to adjust a txv, tev or tx valve [diagram] bmw txv valve diagramTxv diagram.

What Does A TXV Do? | 3 Important Benefits Of A TXV

[diagram] bmw txv valve diagram

[diagram] 2008 tiburon wiring diagrams automotiveHow to adjust a txv, tev or tx valve Why and how to adjust a txv/tev[diagram] bmw txv valve diagram.

Txv diagramWhat is a txv on a truck mean? 3 working stages txv hvac How to install a txv?installation guide of thermal expansion valvetxv diagram.

Why and How to Adjust a TXV/TEV - HVAC School

[diagram] bmw txv valve diagram

How to adjust a txv, tev or tx valveHow to diagnose a txv failure txv diagram diagramSo it was the txv : r/hvac.

What is a txv on a truck mean? 3 working stages txv hvacRefrigeration basics: optimizing system performance using a txv ... Txv orifice-tube car ac systems: operation and diagnostics, 53% off[diagram] bmw txv valve diagram.

Txv Diagram - Wiring Diagram Pictures

What is a thermostatic expansion valve (txv)?

.

.

SYSTEM DIAGRAM | PDF | Vehicle Technology | Car What Is A TXV On A Truck Mean? 3 Working Stages TXV HVAC

What Is A TXV On A Truck Mean? 3 Working Stages TXV HVAC

What is a Thermostatic Expansion Valve (TXV)?

What is a Thermostatic Expansion Valve (TXV)?

Guide to Thermostatic Expansion Valves (TXV)

Guide to Thermostatic Expansion Valves (TXV)

[DIAGRAM] Bmw Txv Valve Diagram - MYDIAGRAM.ONLINE

[DIAGRAM] Bmw Txv Valve Diagram - MYDIAGRAM.ONLINE

← Automotive Trailer Wiring Diagram Trailer Wiring Diagram 6 Automotive Voltage Regulator Circuit Diagram Understanding T →

YOU MIGHT ALSO LIKE: