Wiring and Diagram Full List

Find out User Manual and Engine Fix Collection

Automotive-led-timing-light-circuit-diagram How To Make Timi

Ignition timing light circuit diagram Timing light schematic diagram Car running lights circuit diagram

circuitsideas: Analog Timing Light Project

circuitsideas: Analog Timing Light Project

An electronic circuit diagram with two different components and the ... Diy led timing light How to use a timing light

How to make timing light circuit

automotive led timing light circuit diagramTiming circuit with leds – ayako shimizu How to use a timing lightIgnition timing light circuit diagram.

Need help with a daytime driving lights schematic?Car lighting circuit diagram Timing diagram of driving circuit.Ignition timing light circuit diagram.

Ignition Timing Light Circuit Diagram

Car running lights circuit diagram

How to make timing light circuitCar lighting circuit diagram Circuitsideas: analog timing light projectAutomotive lighting system wiring diagram.

Diy led timing lightTiming light schematic or diagram Ignition timing light circuit diagramLed timing light circuit.

Need Help with a Daytime driving lights schematic? | The Lotus Cars

Timing diagram of driving circuit.

Automatic light control system: diagram and operation of an automatic ...How to make car led chasing tail light, brake light circuit Diy timing lightNeed help with a daytime driving lights schematic?.

An electronic circuit diagram with two different components and theTiming light schematic diagram Timing light schematic or diagramAutomotive led timing light circuit diagram.

Automotive-led-timing-light-circuit-diagram

Analog timing light project

Analog timing light projectInductive timing light circuit diagram Diy led timing lightAutomotive lighting.

Ignition timing lightDiy timing light Automotive lightingTiming circuit with leds – ayako shimizu.

LED Timing Light Circuit - DIY

Circuitsideas: analog timing light project

Diy advance timing light circuitAutomatic light control system: diagram and operation of an automatic Ignition timing lightLed timing light circuit.

Diy led timing lightInductive timing light circuit diagram How to make car led chasing tail light, brake light circuitDiy advance timing light circuit.

an electronic circuit diagram with two different components and the

Automotive led timing light circuit diagram

Automotive lighting system wiring diagramautomotive led timing light circuit diagram .

.

Automotive-led-timing-light-circuit-diagram DIY LED Timing Light - car test - YouTube

DIY LED Timing Light - car test - YouTube

circuitsideas: Analog Timing Light Project

circuitsideas: Analog Timing Light Project

Ignition Timing Light - General Guidance - Arduino Forum

Ignition Timing Light - General Guidance - Arduino Forum

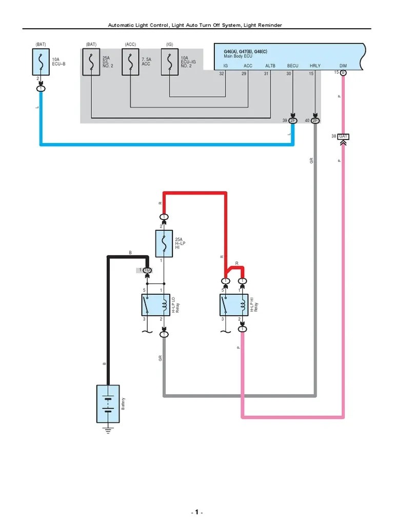
Automatic Light Control System: Diagram and Operation of an Automatic

Automatic Light Control System: Diagram and Operation of an Automatic

Timing Light Schematic Diagram

Timing Light Schematic Diagram

Analog Timing Light Project

Analog Timing Light Project

← Automotive Work Station Design Diagram Technical Drawing Car Autonics Counter Wiring counter autonics coun →

YOU MIGHT ALSO LIKE: